欧美原厂直接采购,保证一手货源,最低出厂价、最快交期
全球多个办事处,每周拼单发货,UPS战略合作,保证货期、降低成本
工厂全球联动,实现工业4.0,将定制成本降到最低
可实现闪电发货、闪电通关,最短三天到达您的手上
当前位置: 首页 > 产品 > MAXON 516518电机
-
-
产品
概要:
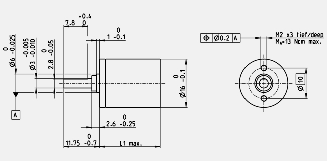
重量 31 g 产品 输出端轴承 烧结轴承 径向间隙 最大0.06 mm, 6 mm(距离法兰) 轴向间隙 0.02 - 0.1 mm 最大径向载荷 20 N, 6 mm(距离法兰) 最大轴向载荷(动态) 8 N 最大轴向压配合力 100 N 最


